液位管理

DF341电容式液位传感器

DF341 是 DF340 的升级替代方向,采用电容测量方式,适合短量程容器、紧凑设备和可裁剪探杆项目。

电容测量可裁剪探杆短量程无线/有线
<font class="text-o-color-1">DF341电容式液位传感器</font>

核心能力

DF341 面向项目交付的能力

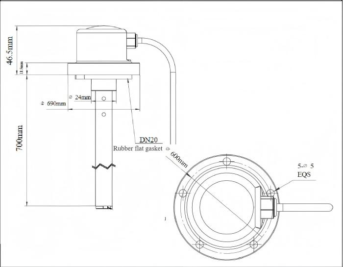
可裁剪探杆,便于适配不同容器高度

围绕现场安装、网络覆盖、数据上报、平台流程和维护方式进行项目配置。

支持短量程液位和紧凑设备空间

围绕现场安装、网络覆盖、数据上报、平台流程和维护方式进行项目配置。

可按项目选择有线或无线输出

围绕现场安装、网络覆盖、数据上报、平台流程和维护方式进行项目配置。

适合油液、小型容器和设备液位监测

围绕现场安装、网络覆盖、数据上报、平台流程和维护方式进行项目配置。

图片与结构

产品、安装和平台示意

DF341 图片

DF341 展示

产品、结构、安装或平台相关示意。

DF341 图片

DF341 展示

产品、结构、安装或平台相关示意。

DF341 图片

DF341 展示

产品、结构、安装或平台相关示意。

应用场景

DF341 适用项目

小型容器

DF341 可用于小型容器项目,具体安装、通信和平台流程按现场条件确认。

油液监测

DF341 可用于油液监测项目,具体安装、通信和平台流程按现场条件确认。

设备液位

DF341 可用于设备液位项目,具体安装、通信和平台流程按现场条件确认。

数据链路

从现场设备到平台和客户系统

项目通常需要同时确认设备安装、供电方式、无线网络、上报间隔、阈值规则、平台看板、移动端流程和客户系统接口。DF341 的最终配置应结合现场测试和业务流程确定。

现场感知无线传输平台告警历史报表接口对接
DF341 平台数据链路

关键参数与选型

DF341 项目确认表

测量方式电容液位
结构可裁剪探杆
配置输出方式和通信按项目确认
试点前建议准备现场照片、安装尺寸、网络条件、供电方式、上报频率、告警规则和平台对接目标,便于确认设备版本和部署方式。